本公司生產12大類約119種攪拌器,從常見的包括已有的HB5標準、SB90標準的各種復雜形式或特殊用途的攪拌器,廣泛應用在化工、醫療、食品等行業不同介質、不同粘度的攪拌之用。我公司也可以根據用戶生產工藝需求,代為設計制造各種特殊要求、特殊規格或用途的攪拌器。
槳式攪拌器
| 序號 | 攪拌器型式 | 與Y軸夾角θ | 常用尺寸 | 常用運轉條件及粘度范圍 | 流動狀態 | 適用范圍 | 備注 |
| 1、 2 |
PJ、PCJ | 0 | DJ/D=0.35~0.8 b/DJ=0.1~0.25 Z=2 |
μ< 2000cp V=1.0~5.0m/s n= 1~100rpm |
低速時為水平環繞型;高速時為徑流型;有擋板時為上下循環流;揣流加強. | 低粘度液的混合、分散、固體懸浮、傳熱、液相反應等. | 當DJ/D=0.9以上時并設置多層槳葉,可用于高粘度液的低速攪拌在層流區操作其適用介質粘度可達到10000CP而葉端線速V=1.0~3.0m/s,降低槳葉離底部高度可做刮板用,防止重組份沉附底部,有用于懸浮結晶與萃取等過程 |
| 3、 4 |
XJ、ZJ | 30 〔24、45、60〕 |
因有傾角所以有軸向分流,徑向分餾和環向分流,流型比平直葉復雜,排出能量比平直葉槳高,綜合效果更好. | ||||
| 5~ 12 |
EJ、ECJ、GJ、GCJ、SJ、SCJ、CJ、CCJ | 見圖 | 斜葉槳式的衍生形式,強化了未端上午液流狀態,喘流加強,剪切作用明顯提高.對兩相物性相差很大的混合、分散、懸浮、傳熱有增效作用 | 槳型復雜,制造成本高 | |||
| 13、 14 |
QJ、CJ | 45 | 軸向分流、徑向分流、流型比平直葉復雜,多在低速范圍層流區操作 | 槳底旋轉而接近容器的橢圓面, 槳葉平面與旋轉垂直面又成45度角兼起刮板用 | |||
| 15、 16 |
FJ、FCJ | n= 1~80rpm | 形狀特別,左右兩槳葉一高一低不一軸對稱,上下方向攪動范圍大,槳葉上多孔在低速、層流條件下產生較好的微觀剪切效應. | 常用于纖維物料的操作 |
平直葉槳式攪拌器
1、平直葉整體槳式(PJ) 2、平直葉可拆槳式(PCJ)

| DJ | d | d0 | d1 | d2 | δ | h | h1 | b | t | C | m | f | e | N/n不大于 | 重量〔kg〕 |
| 350 | 30 | 2-M12 | M12 | - | 10 | 40 | - | 8 | 33.3 | 120 | 85 | - | 3 | 0.01 | 1.77 |
| 400 | 30 | 2-M12 | M12 | - | 10 | 40 | - | 8 | 33.3 | 120 | 85 | - | 3 | 0.01 | 1.93 |
| 500 | 40 | 2-M12 | M12 | - | 12 | 50 | - | 12 | 43.3 | 140 | 100 | - | 3 | 0.02 | 3.38 |
| 550 | 40 | 2-M12 | M12 | - | 12 | 50 | - | 12 | 43.3 | 140 | 100 | - | 3 | 0.02 | 3.62 |
| 600 | 40 | 2-M12 | M12 | - | 12 | 60 | - | 12 | 43.3 | 140 | 100 | - | 3 | 0.025 | 4.59 |
| 700 | 50 | 4-M12 | M12 | - | 16 | 90 | - | 14 | 53.8 | 140 | 110 | 45 | 5 | 0.06 | 10.42 |
| 850 | 50 | 4-M12 | M12 | - | 16 | 90 | - | 14 | 53.8 | 140 | 110 | 45 | 5 | 0.075 | 12.11 |
| 950 | 50 | 4-M16 | M16 | - | 16 | 90 | - | 14 | 53.8 | 150 | 110 | 45 | 5 | 0.075 | 13.57 |
| 1100 | 50 | 4-M16 | M16 | - | 16 | 120 | - | 14 | 53.8 | 150 | 110 | 70 | 5 | 0.075 | 20.95 |
| 1100 | 65 | 4-M16 | M16 | 16 | 14 | 120 | 50 | 18 | 69.4 | 170 | 130 | 70 | 7 | 0.2 | 24.25 |
| 1250 | 65 | 4-M16 | M16 | 16 | 14 | 120 | 50 | 18 | 69.4 | 170 | 130 | 70 | 7 | 0.2 | 27.07 |
| 1250 | 80 | 4-M16 | M16 | 16 | 14 | 150 | 60 | 22 | 85.4 | 190 | 150 | 90 | 7 | 0.35 | 34.04 |
| 1400 | 65 | 4-M16 | M16 | 16 | 14 | 150 | 50 | 18 | 69.4 | 170 | 160 | 90 | 7 | 0.25 | 35.29 |
| 1400 | 80 | 4-M16 | M16 | 16 | 16 | 150 | 60 | 22 | 85.4 | 200 | 160 | 90 | 7 | 0.35 | 43.10 |
| 1500 | 65 | 4-M16 | M16 | 16 | 14 | 150 | 50 | 18 | 69.4 | 170 | 130 | 90 | 7 | 0.25 | 37.63 |
| 1500 | 80 | 4-M16 | M16 | 16 | 16 | 150 | 60 | 22 | 85.4 | 200 | 160 | 90 | 7 | 0.35 | 45.52 |
| 1700 | 80 | 4-M16 | M16 | 16 | 16 | 180 | 65 | 22 | 69.4 | 200 | 160 | 110 | 7 | 0.4 | 59.20 |
| 1700 | 95 | 4-M22 | M22 | 22 | 18 | 180 | 80 | 25 | 100.4 | 220 | 170 | 110 | 7 | 0.75 | 72.20 |
| 1800 | 95 | 4-M22 | M22 | 22 | 16 | 180 | 80 | 25 | 100.4 | 220 | 170 | 110 | 7 | 0.54 | 67.30 |
| 1800 | 110 | 4-M22 | M22 | 22 | 20 | 180 | 80 | 28 | 116.4 | 250 | 200 | 110 | 9 | 1.0 | 85.49 |
| 2000 | 95 | 4-M22 | M22 | 22 | 14 | 200 | 80 | 25 | 100.4 | 220 | 170 | 130 | 7 | 0.64 | 70.66 |
| 2000 | 110 | 4-M22 | M22 | 22 | 16 | 200 | 80 | 28 | 100.4 | 250 | 200 | 130 | 9 | 0.8 | 80.49 |
| 2100 | 95 | 4-M22 | M22 | 22 | 14 | 200 | 80 | 25 | 116.4 | 220 | 170 | 130 | 7 | 0.6 | 72.70 |
| 2100 | 110 | 4-M22 | M22 | 22 | 18 | 200 | 80 | 28 | 100.4 | 250 | 200 | 130 | 9 | 1.0 | 86.30 |
| 2240 | 110 | 4-M22 | M24 | 22 | 16 | 220 | 80 | 28 | 116.4 | 250 | 200 | 140 | 7 | 1.0 | 98.53 |
| 2240 | 130 | 4-M22 | M24 | 22 | 18 | 220 | 80 | 32 | 137.4 | 270 | 220 | 140 | 9 | 1.6 | 112.1 |
| 2500 | 120 | 6-M22 | M24 | 24 | 16 | 250 | 90 | 32 | 127.4 | 280 | 230 | 150 | 8 | 1.3 | 124.7 |
| 2500 | 140 | 6-M22 | M24 | 24 | 18 | 250 | 90 | 36 | 148.4 | 290 | 250 | 150 | 10 | 2.0 | 141.0 |
| 2800 | 150 | 6-M22 | M24 | 24 | 18 | 280 | 100 | 32 | 137.4 | 270 | 220 | 160 | 8 | 1.6 | 172.1 |
| 2800 | 150 | 6-M22 | M30 | 24 | 20 | 280 | 100 | 36 | 158.4 | 300 | 260 | 160 | 10 | 2.5 | 193.9 |
| 3150 | 140 | 6-M22 | M30 | 24 | 18 | 315 | 110 | 36 | 148.4 | 290 | 250 | 170 | 8 | 2.0 | 215.3 |
| 3150 | 160 | 6-M22 | M30 | 28 | 20 | 315 | 110 | 40 | 169.4 | 310 | 270 | 170 | 10 | 3.0 | 241.2 |
| 3550 | 150 | 6-M22 | M30 | 28 | 20 | 355 | 120 | 36 | 150.4 | 300 | 260 | 180 | 8 | 2.5 | 298.3 |
| 3550 | 170 | 6-M22 | M30 | 28 | 22 | 355 | 120 | 40 | 179.4 | 320 | 280 | 180 | 10 | 3.6 | 330.6 |
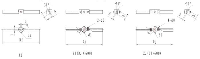
斜葉槳式攪拌器
3、斜葉整體槳式(XJ) 4、折葉槳式(ZJ)

| DJ | d | h | 螺栓d0 | 銷軸d1 | d2 | b | t | N/n不大于 | δ | 重量(kg) |
| 不銹鋼/碳鋼 | ||||||||||
| 250 | 25 | 35 | M10 | 6 | M6 | 8 | 28.3 | 0.0035 | 3/4 | 0.67/0.69 |
| 280 | 30 | 35 | 8 | 33.3 | 0.005 | 4/6 | 0.83/0.84 | |||
| 320 | 30 | 40 | 8 | 33.3 | 0.005 | 4/6 | 0.9/1.1 | |||
| 350 | 30 | 40 | M12 | 8 | M8 | 8 | 33.3 | 0.006 | 6/8 | 1.1/1.38 |
| 35 | 10 | 38.3 | ||||||||
| 400 | 35 | 10 | 38.3 | 0.01 | 8/10 | 1.55/1.86 | ||||
| 40 | 12 | 43.3 | 1.56/1.88 | |||||||
| 450 | 40 | 50 | 10 | 12 | 43.3 | 0.015 | 10/10 | 2.53/2.98 | ||
| 45 | 14 | 48.8 | ||||||||
| 500 | 40 | 50 | M12 | 10 | 12 | 43.3 | 0.015 | 10/10 | 2.53/2.98 | |
| 45 | 14 | 48.8 | 2.72/2.98 | |||||||
| 550 | 40 | 12 | 43.3 | 2.86/2.98 | ||||||
| 45 | 14 | 48.8 | 2.96/2.98 | |||||||
| 600 | 45 | 60 | 14 | 48.8 | 0.026 | 10/12 | 3.7/4.36 | |||
| 55 | 12 | 16 | 59.3 | |||||||
| 700 | 50 | 70 | M10 | 14 | 53.8 | 0.04 | 12/14 | 6.14/6.89 | ||
| 60 | 18 | 64.4 | ||||||||
| 850 | 55 | 90 | 16 | 59.3 | 0.053 | 12/14 | 9.13/10.43 | |||
| 70 | 16 | 20 | 74.9 | |||||||
| 950 | 55 | 12 | 16 | 59.3 | 9.83/11.52 | |||||
| 70 | 16 | 20 | 74.9 | |||||||
| 1100 | 60 | 110 | M16 | 12 | 18 | 64.4 | 0.07 | 12/14 | 13.58/15.85 | |
| 75 | 16 | 20 | 79.9 | 13.95/16.1 | ||||||
| 1200 | 70 | 120 | 20 | 74.9 | 0.1 | 14/16 | 18.81/21.27 | |||
| 80 | 22 | 85.4 | 18.95/21.35 | |||||||
| 1400 | 75 | 140 | 20 | 79.9 | 0.12 | 14/16 | 24.93/28.23 | |||
| 80 | 22 | 85.4 | 25.09/28.41 | |||||||
| 1500 | 80 | 150 | M20 | 20 | M12 | 22 | 85.4 | 0.23 | 14/16 | 30.19/34.5 |
| 85 | 22 | 90.4 | ||||||||
| 1700 | 85 | 180 | 22 | 90.4 | 0.27 | 14/16 | 50.93/58.5 | |||
| 90 | 25 | 95.4 | ||||||||
| 1800 | 90 | 180 | 25 | 95.4 | 0.38 | 16/18 | 65.24/73.4 | |||
| 100 | 28 | 106.4 | ||||||||
| 2000 | 95 | 200 | M16 | 25 | 100.4 | 0.38 | 16/18 | 71.56/80.5 | ||
| 100 | 28 | 106.4 | ||||||||
| 2100 | 95 | 220 | 25 | 100.4 | 0.5 | 16/18 | 78.13/87.9 | |||
| 110 | 28 | 116.4 | ||||||||
| 2300 | 100 | 240 | M24 | 24 | 28 | 106.1 | 0.65 | 18/20 | 89.64/99.6 | |
| 120 | 32 | 127.4 | ||||||||
| 2500 | 110 | 250 | 28 | 116.4 | 0.83 | 18/20 | 104.22/115.8 | |||
| 130 | 32 | 137.4 | ||||||||
| 2800 | 120 | 280 | M24 | 24 | M20 | 32 | 127.4 | 1.0 | 20/22 | 142/158 |
| 140 | 36 | 148.4 | ||||||||
| 3150 | 130 | 315 | M24 | 24 | M20 | 32 | 137.4 | 1.2 | 20/22 | 178/198 |
| 150 | 36 | 158.4 | ||||||||
| 3550 | 140 | 355 | M24 | 24 | M20 | 36 | 148.4 | 1.5 | 20/22 | 224/249 |
| 160 | 40 | 169.4 | ||||||||
折葉槳式攪拌器
5、E型折葉槳式EJ 6、E型折葉可拆槳式ECJ 7、G型折葉槳式GJ 8、G型折葉可拆槳式GCJ 9、S型雙折葉槳式SJ 10、S型雙折葉可拆槳式SCJ 11、G型雙折葉槳式GJ 12、C型雙折葉可拆槳式CCJ

| DJ | d | D1 | h | h1 | 螺栓d0 | b | t | N/n 不大于 |
δ | 重量(kg)不銹鋼/碳鋼 | |||
| 不銹鋼/碳鋼 | SCJ | CCJ | GJ | GCJ | |||||||||
| 350 | 30 | 250 | 35 | 30 | M12 | 8 | 33.3 | 0.006 | 6/8 | 1.496/1.655 | 1.51/1.67 | 2.49/2.88 | 3.306/3.66 |
| 35 | 10 | 38.3 | |||||||||||
| 400 | 35 | 280 | 40 | 10 | 38.3 | 0.01 | 8/10 | 2.17/2.38 | 2.16/2.40 | 3.65/3.92 | 4.773/4.978 | ||
| 40 | 12 | 43.3 | |||||||||||
| 450 | 40 | 310 | 45 | 38 | 12 | 43.3 | 0.015 | 10/10 | 3.192/3.04 | 3.23/3.08 | 4.89/4.75 | 6.086/5.891 | |
| 45 | 14 | 48.8 | |||||||||||
| 500 | 40 | 350 | 50 | 40 | 12 | 43.2 | 0.015 | 10/10 | 4.06/3.87 | 4.12/3.92 | 5.45/5.31 | 6.649/6.451 | |
| 45 | 14 | 48.8 | |||||||||||
| 550 | 40 | 380 | 55 | 12 | 43.3 | 4.36/4.16 | 4.78/4.55 | 6.07/5.93 | 7.271/7.069 | ||||
| 45 | 14 | 48.8 | |||||||||||
| 600 | 45 | 400 | 60 | 45 | M12 | 14 | 48.8 | 0.026 | 10/12 | 5.52/5.99 | 5.64/6.13 | 6.85/8.19 | 10.47/10.37 |
| 55 | 16 | 59.3 | |||||||||||
| 700 | 50 | 480 | 70 | 50 | 14 | 53.8 | 0.04 | 12/14 | 6.99/7.64 | 7.79/8.48 | 11.48/12.38 | 13.96/14.76 | |
| 60 | 18 | 64.4 | |||||||||||
| 850 | 55 | 560 | 85 | 65 | 16 | 59.3 | 0.053 | 12/14 | 11.55/12.51 | 11.69/12.71 | 15.88/17.26 | 19.14/20.38 | |
| 70 | 20 | 74.9 | |||||||||||
| 950 | 55 | 650 | 95 | 16 | 59.3 | 13.72/14.98 | 13.93/15.23 | 18.44/20.23 | 21.70/23.37 | ||||
| 70 | 20 | 74.9 | |||||||||||
| 1100 | 60 | 750 | 110 | 80 | M16 | 18 | 64.4 | 0.07 | 12/14 | 19.86/21.56 | 20.15/21.91 | 24.59/26.99 | 28.09/30.33 |
| 75 | 20 | 79.9 | |||||||||||
| 1200 | 70 | 840 | 120 | 90 | 20 | 74.9 | 0.1 | 14/16 | 26.68/28.61 | 27.62/29.60 | 33.38/36.17 | 37.10/39.73 | |
| 80 | 22 | 85.4 | |||||||||||
| 1400 | 75 | 1000 | 140 | 100 | 20 | 79.9 | 0.12 | 14/16 | 34.22/36.89 | 34.76/37.51 | 42.01/45.96 | 45.23/49.52 | |
| 80 | 22 | 85.4 | |||||||||||
| 1500 | 80 | 1080 | 150 | 105 | M20 | 22 | 85.4 | 0.23 | 14/16 | 42.17/45.23 | 42.81/45.96 | 48.89/53.78 | 53.67/58.34 |
| 85 | 22 | 90.4 | |||||||||||
| 1700 | 85 | 1220 | 170 | 130 | 22 | 90.4 | 0.27 | 14/16 | 53.69/57.64 | 54.54/58.61 | 62.58/68.57 | 67.72/73.47 | |
| 90 | 25 | 95.4 | |||||||||||
| 1800 | 90 | 1300 | 180 | 130 | 25 | 95.4 | 0.38 | 16/18 | 64.53/69.16 | 65.56/70.33 | 78.60/85.02 | 84.20/90.38 | |
| 100 | 28 | 106.4 | |||||||||||
| 2000 | 95 | 1500 | 200 | 140 | 25 | 100.4 | 0.38 | 16/18 | 80.83/86.61 | 82.15/88.09 | 93.01/101.1 | 96.61/106.49 | |
| 100 | 28 | 106.4 | |||||||||||
| 2100 | 95 | 1500 | 210 | 150 | 25 | 100.4 | 0.5 | 16/18 | 90.29/96.65 | 91.98/98.52 | 104.2/113.3 | 110.53119.28 | |
| 110 | 28 | 116.4 | |||||||||||
| 2300 | 100 | 1650 | 230 | 170 | M24 | 28 | 106.4 | 0.65 | 18/20 | 114.1/121.283 | 115.66/123.5 | 136.5/147.1 | 143.5/153.8 |
| 120 | 32 | 127.4 | |||||||||||
| 2500 | 110 | 1800 | 250 | 180 | 28 | 116.4 | 0.83 | 18/20 | 134.88/143.39 | 136.7/146.0 | 160.0/172.6 | 167.4/179.6 | |
| 130 | 32 | 137.4 | |||||||||||
曲邊斜葉槳式攪拌器
13、曲邊斜葉整體槳式QJ 14、曲邊斜葉可拆槳式QCJ

| DJ | d | d1 | h | SR | H | A1 | A2 | A3 | 鍵槽 | B | MX | δ | 重量(kg) | ||
| b | t | 不銹鋼/碳鋼 | 不銹鋼 | 碳鋼 | |||||||||||
| 200 | 25 | 50 | 35 | 350 | 35 | / | 50 | 40 | 8 | 28.3 | 30 | 8 | 3/4 | 0.605 | 0.666 |
| 220 | 25 | 50 | 35 | 400 | 38 | / | 55 | 44 | 8 | 28.3 | 33 | 8 | 3/4 | 0.639 | 0.712 |
| 250 | 30 | 65 | 40 | 450 | 42 | / | 60 | 50 | 8 | 33.3 | 38 | 8 | 4/6 | 1.239 | 1.444 |
| 280 | 35 | 70 | 45 | 500 | 48 | / | 70 | 56 | 10 | 38.3 | 40 | 8 | 4/6 | 1.506 | 1.744 |
| 320 | 35 | 70 | 45 | 550 | 55 | / | 80 | 64 | 10 | 38.3 | 50 | 10 | 6/8 | 2.081 | 2.426 |
| 360 | 40 | 75 | 50 | 650 | 60 | / | 90 | 70 | 12 | 43.3 | 55 | 10 | 6/8 | 2.571 | 2.987 |
| 400 | 40 | 80 | 55 | 700 | 68 | / | 100 | 80 | 12 | 43.3 | 60 | 10 | 8/10 | 3.915 | 4.466 |
| 450 | 45 | 85 | 60 | 800 | 75 | / | 110 | 90 | 14 | 48.8 | 65 | 10 | 8/10 | 4.626 | 5.280 |
| 500 | 50 | 90 | 70 | 900 | 85 | 300 | 125 | 100 | 14 | 53.8 | 75 | 12 | 10/12 | 6.761 | 7.597 |
| 560 | 55 | 95 | 80 | 1000 | 95 | 300 | 140 | 110 | 14 | 59.4 | 85 | 12 | 10/12 | 8.307 | 9.328 |
| 630 | 60 | 100 | 85 | 1100 | 105 | 350 | 160 | 120 | 18 | 64.4 | 95 | 12 | 12/14 | 11.42 | 12.71 |
| 710 | 65 | 105 | 95 | 1200 | 120 | 350 | 175 | 140 | 18 | 69.4 | 105 | 12 | 12/14 | 13.93 | 15.50 |
| 800 | 70 | 110 | 100 | 1400 | 135 | 400 | 200 | 160 | 20 | 74.9 | 120 | 12 | 14/16 | 19.04 | 21.02 |
| 900 | 75 | 120 | 110 | 1600 | 150 | 500 | 225 | 180 | 20 | 79.9 | 130 | 12 | 14/16 | 23.87 | 26.30 |
| 1000 | 80 | 140 | 120 | 1800 | 170 | 600 | 250 | 200 | 22 | 85.4 | 150 | 12 | 16/18 | 35.68 | 38.73 |
| 1120 | 85 | 150 | 130 | 2000 | 190 | 700 | 280 | 220 | 22 | 90.4 | 160 | 16 | 16/18 | 43.39 | 47.06 |
| 1250 | 90 | 160 | 150 | 2200 | 210 | 800 | 310 | 250 | 25 | 95.4 | 180 | 16 | 18/20 | 60.62 | 65.25 |
| 1400 | 90 | 180 | 170 | 2500 | 230 | 900 | 350 | 280 | 28 | 106.4 | 200 | 16 | 18/20 | 79.22 | 85.02 |
| 1600 | 110 | 190 | 180 | 2800 | 270 | 1000 | 400 | 320 | 28 | 116.4 | 230 | 16 | 18/20 | 101.4 | 109.0 |
| 1800 | 120 | 200 | 200 | 3200 | 300 | 1100 | 450 | 350 | 32 | 127.4 | 260 | 16 | 18/20 | 123.7 | 133.3 |
| 2000 | 130 | 210 | 220 | 3500 | 330 | 1100 | 500 | 400 | 32 | 137.4 | 290 | 18 | 18/20 | 149.3 | 160.9 |
| 2240 | 140 | 220 | 245 | 4000 | 370 | 1200 | 560 | 440 | 36 | 148.4 | 320 | 18 | 18/20 | 182.1 | 196.5 |
| 2500 | 150 | 230 | 270 | 4500 | 420 | 1200 | 620 | 500 | 36 | 158.4 | 360 | 18 | 20/22 | 224.4 | 293.7 |
| 2800 | 160 | 240 | 300 | 5000 | 470 | 1200 | 700 | 560 | 40 | 169.4 | 400 | 20 | 20/22 | 275.8 | 293.7 |
| 3150 | 170 | 250 | 340 | 5600 | 530 | 1300 | 780 | 630 | 40 | 179.4 | 450 | 20 | 20/22 | 361.6 | 388.7 |
| 3550 | 180 | 260 | 380 | 6300 | 590 | 1300 | 800 | 700 | 45 | 190.4 | 500 | 20 | 20/22 | 447.1 | 479.8 |
花板孔槳式攪拌器
15、花板孔整體槳式FJ 16、花板孔可拆槳式FCJ

| DJ | d | d1 | h | m1 | m2 | MX | B1 | B2 | h1 | Φ | 鍵槽 | δ | 重量(kg) | |||
| b | t | 不銹鋼 | 碳鋼 | 不銹鋼 | 碳鋼 | |||||||||||
| 250 | 30 | 60 | 55 | 6 | 42 | 4 | 16 | 5 | 8 | 33.3 | 1 | 1.5 | 1.06 | 1.12 | ||
| 280 | 35 | 70 | 60 | 6 | 50 | 4 | 18 | 6 | 10 | 38.3 | 1 | 1.5 | 1.56 | 1.64 | ||
| 320 | 40 | 75 | 70 | 6 | 54 | 4 | 20 | 7 | 12 | 43.3 | 1 | 1.5 | 1.98 | 2.09 | ||
| 360 | 45 | 80 | 75 | 8 | 56 | 6 | 22 | 7 | 14 | 48.8 | 1.5 | 2 | 2.48 | 2.60 | ||
| 400 | 50 | 85 | 80 | 8 | 60 | 6 | 24 | 8 | 14 | 53.8 | 1.5 | 2 | 2.85 | 3.00 | ||
| 450 | 55 | 90 | 90 | 8 | 64 | 6 | 26 | 9 | 16 | 59.4 | 1.5 | 2 | 3.44 | 3.62 | ||
| 500 | 60 | 100 | 95 | 10 | 70 | 6 | 28 | 9 | 18 | 64.4 | 1.5 | 2 | 4.51 | 4.73 | ||
| 560 | 65 | 105 | 105 | 10 | 75 | 8 | 30 | 10 | 18 | 69.4 | 2 | 3 | 5.64 | 6.21 | ||
| 630 | 70 | 110 | 120 | 10 | 78 | 8 | 32 | 10 | 20 | 74.9 | 2 | 3 | 6.81 | 7.49 | ||
| 710 | 75 | 120 | 130 | 10 | 86 | 8 | 34 | 11 | 20 | 79.9 | 2 | 3 | 8.87 | 9.71 | ||
| 800 | 80 | 135 | 140 | 45 | 111 | 12 | 92 | 8 | 36 | 12 | 22 | 85.4 | 2 | 3 | 12.5 | 13.5 |
| 900 | 85 | 140 | 160 | 50 | 116 | 12 | 96 | 8 | 38 | 13 | 22 | 90.4 | 2 | 3 | 14.9 | 16.1 |
| 1000 | 90 | 150 | 170 | 55 | 126 | 12 | 102 | 12 | 40 | 13 | 25 | 95.4 | 3 | 4 | 19.9 | 22.3 |
| 1120 | 100 | 160 | 190 | 60 | 136 | 12 | 112 | 12 | 43 | 14 | 28 | 106.4 | 3 | 4 | 24.3 | 26.1 |
| 1250 | 110 | 180 | 210 | 65 | 152 | 16 | 120 | 12 | 48 | 15 | 28 | 116.4 | 3 | 4 | 33.5 | 35.7 |
| 1400 | 120 | 190 | 235 | 75 | 162 | 16 | 130 | 12 | 54 | 16 | 32 | 127.4 | 3 | 4 | 40.3 | 43.0 |
| 1600 | 130 | 200 | 265 | 80 | 172 | 16 | 140 | 12 | 61 | 18 | 32 | 137.4 | 3 | 4 | 48.9 | 52.3 |
| 1800 | 140 | 210 | 300 | 95 | 182 | 16 | 148 | 12 | 69 | 21 | 36 | 148.4 | 3 | 4 | 59.0 | 63.1 |
| 2000 | 150 | 220 | 335 | 105 | 192 | 16 | 156 | 15 | 77 | 23 | 36 | 158.4 | 4 | 5 | 75.5 | 80.4 |
| 2240 | 160 | 240 | 375 | 120 | 206 | 20 | 166 | 15 | 86 | 26 | 40 | 169.4 | 4 | 5 | 101 | 107 |
| 2500 | 170 | 250 | 420 | 130 | 216 | 20 | 176 | 15 | 96 | 30 | 40 | 179.4 | 4 | 5 | 119 | 126 |
| 2800 | 180 | 260 | 470 | 150 | 226 | 20 | 186 | 15 | 107 | 32 | 45 | 190.4 | 4 | 5 | 144 | 154 |
| 3150 | 190 | 270 | 530 | 170 | 236 | 20 | 196 | 18 | 120 | 35 | 45 | 200.4 | 5 | 6 | 181 | 192 |
| 3550 | 200 | 280 | 600 | 190 | 246 | 20 | 206 | 18 | 136 | 40 | 45 | 210.4 | 5 | 6 | 217 | 230 |




