您好!歡迎訪問啟東華立石油化工機械設備有限公司官網!
咨詢熱線:
0513-83340076
首頁
關于華立
公司簡介
企業文化
可持續發展
關于華立
以技術研發為先導,成為幫助您在未來取得成功的合作伙伴,為各種廣泛的應用提供理想性能的產品。
產品圖庫
混合設備
過濾設備
消音設備
冶金設備
行業專用設備
靜態混合
動態混合
攪拌機
靜態混合器
噴射式混合器
氧、蒸汽混合器
HL-MV型煤氣靜態混合器
HL-OXV型氧氣混合器
漿氯混合器
查看更多>>
混合機
乳化機
輸送設備
管道過濾器
自清洗過濾器
空氣過濾器
精細過濾器
濾件系列
貧、富液過濾器
其他過濾設備
高爐消聲器
空壓機消聲器
蒸汽排放消聲器
風機消聲器
視鏡
排水器
點閥箱
阻火器
石油儲罐配件
采樣器
洗眼器
產品中心
混合設備
過濾設備
消音設備
冶金設備
行業專用設備
產品中心
專注于混合、過濾、分離、消音等設備的研發制造,為眾多行業和應用提供靈活的工藝解決方案。
新聞資訊
公司新聞
行業動態
新聞資訊
關注我們的即時動態和消息,為您提供業內新鮮資訊,及時了解更多產品技術。
服務與支持
客戶服務
技術資料
下載中心
服務與支持
尊重客戶,理解客戶,不斷超越客戶期望,提供更好的產品和服務,讓客戶永遠是合作伙伴。
聯系我們
聯系方式
在線留言
聯系我們
感謝您對我們產品的關心和支持!為了更快捷地了解您的需求,請您及時與我們聯系,我們會盡快安排人員與您聯系處理,竭誠為您服務!
首頁
關于華立
公司簡介
企業文化
可持續發展
產品圖庫
混合設備
靜態混合
靜態混合器
噴射式混合器
氧、蒸汽混合器
HL-MV型煤氣靜態混合器
HL-OXV型氧氣混合器
漿氯混合器
蒸汽減溫器
氨水發生器
氨吸收器
動態混合
混合機
乳化機
輸送設備
攪拌機
過濾設備
管道過濾器
自清洗過濾器
空氣過濾器
精細過濾器
濾件系列
貧、富液過濾器
其他過濾設備
消音設備
高爐消聲器
空壓機消聲器
蒸汽排放消聲器
風機消聲器
冶金設備
視鏡
排水器
點閥箱
阻火器
石油儲罐配件
采樣器
洗眼器
行業專用設備
產品中心
混合設備
過濾設備
消音設備
冶金設備
行業專用設備
新聞資訊
公司新聞
行業動態
服務與支持
客戶服務
技術資料
下載中心
聯系我們
聯系方式
在線留言
查找您需要的產品
選擇設備選型分類
混合設備
過濾設備
消音設備
冶金設備
行業專用設備
搜索
產品中心
潛心研發、精工打造,成就非凡品質
混合設備
過濾設備
消音設備
冶金設備
行業專用設備
首頁
產品中心
冶金設備
排水器
產品中心
混合設備
過濾設備
消音設備
冶金設備
行業專用設備
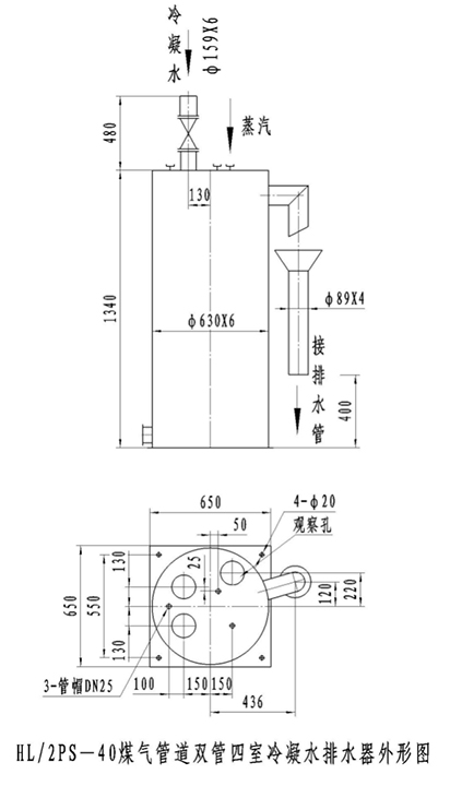
HL/2PS-40型煤氣管道雙管四室冷凝水排水器
1、本排水器適用于離心式煤氣鼓風機本體及進出口管排水。
2、該排水器采用壓力給水,給水時為2~4t/h。
3、設在露天的排水器在寒冷地區要采取防凍措施,設在室內的應有良好的自然通風。
4、排水器冷凝水應集中處理。
上一篇:
HL/2PS-36/12型煤氣管道雙管高低壓冷凝水排水器
下一篇:
HL/2PS-30型煤氣管道雙管三室冷凝水排水器
商務聯系
地址:江蘇省啟東市緯二路228號
電話:0513-83340076、83350079
傳真:0513-83340079、83108079
郵箱:
hl83340076##*#126.com
關于華立
公司簡介
企業文化
可持續發展
產品中心
混合設備
過濾設備
消音設備
冶金設備
行業專用設備
新聞資訊
公司新聞
行業動態
服務與支持
客戶服務
技術資料
下載中心
COPYRIGHT ? 啟東華立石油化工機械設備有限公司
蘇ICP備07503036號-1
技術支持:HUOSU
網站地圖
隱私條款
網站首頁
產品中心
一鍵撥號